24V DC Φ35mm 3530 齿轮马达 334RPM - 平行丝杠轴 - 用于手术钻 | GM37-3530
减速比:7 ~ 810 (定制)
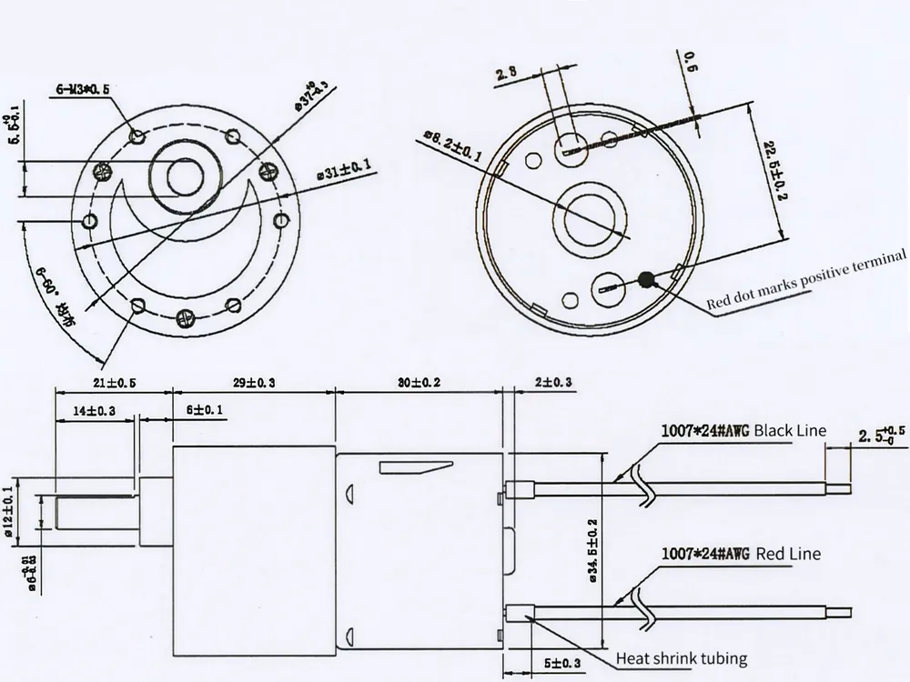
电机尺寸:Φ34.5 x 130.0mm
额定电压:24.0V DC
启动力矩:7.5kg.cm
空载转速:334rpm
应用:骨科钻和锯、医药包装、生物力学测试平台
产品描述
📝 24V DC 3530 电源手术器械有刷齿轮电机性能数据表📊
这款医疗级平行导螺杆齿轮马达为骨科手术设备提供精确的动力,兼具可靠性和严格的性能标准。
主要特点
✓医疗精度:334RPM 针对手术钻控制进行了优化
✓坚固的设计:Φ35mm 外壳带平行导螺杆轴
✓可消毒:材料符合医疗器械要求
外科手术应用:
- 骨钻孔系统
- 骨科电动工具
- 医疗机器人定位
定制解决方案
我们的工程团队可以提供:
- 特定于应用程序的修改
- 集成技术支持
- 根据项目需求定制定价
专为在无菌环境中确保生命安全而设计。可提供定制配置,用于OEM医疗设备集成。
3530齿轮电机的应用
1. 医疗和外科设备
✅ 骨科钻和锯 – 为手术中的骨钻孔和切割提供精确的扭矩控制。
✅ 牙科植入工具 – 通过平稳的 RPM 控制为植入物放置的旋转手机提供动力。
✅ 机器人手术臂 – 用于微创手术 (MIS) 系统,以精确定位仪器。
✅ 骨固定装置🦾 – 以可控的速度和力度驱动骨折修复工具中的螺钉。
2. 实验室和医疗自动化
✅ 样品处理系统 – 在诊断机器中精确移动实验室设备。
✅微量移液机🧫 – 确保医疗测试设备中的液体分配顺畅。
✅灭菌设备🌞🦠 – 为高压灭菌器和紫外线灭菌室中的自动门机构提供动力。
3. 工业和高精度应用
✅ 医药包装💊 – 用于药丸分配机以控制药片处理。
✅ 假肢制造 – 驱动定制假肢加工的 CNC 调整。
✅ 光学镜片切割🔬 – 为镜片研磨和抛光机提供稳定的运动。
4 . 研发
✅ 生物力学测试平台 – 在医学研究中模拟人体关节运动。
✅ 3D 生物打印 – 控制组织工程应用的挤压机制。
关键词:
小型齿轮电机、3530 有刷直流电机、正齿轮电机、24V 直流电机、手术钻电机、平行导螺杆电机、334rpm 直流电机、24V 医用齿轮电机、手术器械、机器人电机、导螺杆、平行轴齿轮、低速齿轮电机、线性运动、螺杆执行器、24V 线性执行器、永磁电机、直流导螺杆电机
外观尺寸图

在线留言
热门推荐
- 您的称呼*
- 电子邮件*
- 手机号码*
- 公司名称
填写您的信息后可自动下载